Napínacie prvky 'Boomerang'
Material: Housing sintered steel, lever St52. These tensioning elements are used to compensate the slack in extremely long chain drives. The slack length passes in an S-shape through the supplied sprockets or pulleys so that the lever works as a compensator. This system thus offers a triple compensation of the slack compared to standard tensioners.
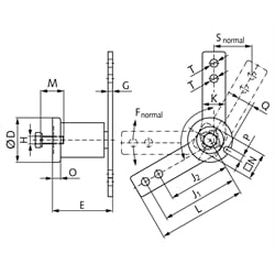
| SKU | Size | F max. at normal [N] | F max. at hard [N] | s max. normal [mm] | s max. hard [mm] | D [mm] | E [mm] | G [mm] | H [mm] | J1 [mm] | J2 [mm] | K [mm] | L [mm] | M [mm] | N [mm] | O [mm] | P [mm] | Q [mm] | T [mm] | MA [Nm] | Weight [kg] |
|---|---|---|---|---|---|---|---|---|---|---|---|---|---|---|---|---|---|---|---|---|---|
| 14080209 | 2 | 175 | 220 | 50 | 40 | 58 | 78 +1,5 -0,5 | 6 | M10 | 100 | 80 | 30 | 115 | 30 | 35 | 10,5 | 8,5 | 25,3 | 10,5 | 49 | 0,75 |
| 14080309 | 3 | 405 | 506 | 65 | 50 | 78 | 108 +2,0 -0,5 | 8 | M12 | 130 | 100 | 50 | 155 | 40 | 52 | 15 | 10,5 | 34,3 | 12,5 | 86 | 2,1 |