Slotted Round Nuts MN 1804K with Integral Locking Device,Steel, black oxided
Material: Steel 42CrMo4, black oxide finish.
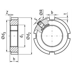
Reusable shaft nut like DIN 1804, but with integrated locking device. The threaded locking device does not cause any damage.
It is pressed against the shaft thread with a locking screw and thus prevents the nut from turning. By this, a lockwasher and a keyway on the shaft are not required. The stepped face with Ø d3 shall be used as the bearing face.
* ISO 4028 with short dog point.
| SKU | Thread d1 | d2 [mm] | d3 [mm] | R [mm] | h h14 [mm] | b [mm] | t [mm] | z [mm] | Number of grooves | S [ISO 4028] | Weight [g] |
|---|---|---|---|---|---|---|---|---|---|---|---|
| 65261200K | M12 x 1,5 | 28 | 23 | 30,5 | 6 | 5 | 2 | 0,5 | 4 | M4 x 8 | 20 |
| 65261400K | M14 x 1,5 | 30 | 25 | 32,5 | 7 | 5 | 2 | 0,5 | 4 | M4 x 8 | 26 |
| 65261600K | M16 x 1,5 | 32 | 27 | 34,5 | 7 | 5 | 2 | 0,5 | 4 | M5 x 8 | 30 |
| 65261800K | M18 x 1,5 | 34 | 28 | 36,5 | 8 | 6 | 2,5 | 0,5 | 4 | M5 x 8 | 36 |
| 65262000K | M20 x 1,5 | 36 | 30 | 38,5 | 8 | 6 | 2,5 | 0,5 | 4 | M5 x 8 | 40 |
| 65262200K | M22 x 1,5 | 40 | 34 | 40,5 | 9 | 6 | 2,5 | 0,5 | 4 | M5 x 8 | 54 |
| 65262400K | M24 x 1,5 | 42 | 36 | 42,5 | 9 | 6 | 2,5 | 0,5 | 4 | M5 x 8 | 60 |
| 65262800K | M28 x 1,5 | 50 | 43 | 50,5 | 10 | 7 | 3 | 0,5 | 4 | M5 x10 | 96 |
| 65263000K | M30 x 1,5 | 50 | 43 | 52,5 | 10 | 7 | 3 | 0,5 | 4 | M5 x10 | 88 |
| 65263200K | M32 x 1,5 | 52 | 45 | 54,5 | 11 | 7 | 3 | 0,5 | 4 | M6 x10 | 103 |
| 65263500K | M35 x 1,5 | 55 | 48 | 57,5 | 11 | 7 | 3 | 0,5 | 4 | M6 x10 | 112 |
| 65263800K | M38 x 1,5 | 58 | 50 | 60,5 | 11 | 8 | 3,5 | 0,5 | 4 | M6 x10 | 117 |
| 65264000K | M40 x 1,5 | 62 | 54 | 62,5 | 12 | 8 | 3,5 | 0,5 | 4 | M8 x10* | 150 |
| 65264200K | M42 x 1,5 | 62 | 54 | 64,5 | 12 | 8 | 3,5 | 0,5 | 4 | M8 x10 | 140 |
| 65264500K | M45 x 1,5 | 68 | 60 | 68 | 12 | 8 | 3,5 | 0,5 | 6 | M8 x10 | 172 |
| 65264800K | M48 x 1,5 | 75 | 67 | 75 | 13 | 8 | 3,5 | 0,5 | 6 | M8 x10 | 240 |
| 65265000K | M50 x 1,5 | 75 | 67 | 75 | 13 | 8 | 3,5 | 0,5 | 6 | M8 x10 | 226 |
| 65265200K | M52 x 1,5 | 80 | 70 | 80 | 13 | 10 | 4 | 0,5 | 6 | M8 x10 | 261 |
| 65265500K | M55 x 1,5 | 80 | 70 | 80 | 13 | 10 | 4 | 0,5 | 6 | M8 x10 | 238 |
| 65266000K | M60 x 1,5 | 90 | 80 | 90 | 13 | 10 | 4 | 0,5 | 6 | M8 x12 | 324 |
| 65266500K | M65 x 1,5 | 95 | 85 | 95 | 14 | 10 | 4 | 0,5 | 6 | M8 x12 | 374 |
| 65266800K | M68 x 1,5 | 100 | 90 | 100 | 14 | 10 | 4 | 0,5 | 6 | M8 x12 | 422 |
| 65268000K | M80 x 2 | 115 | 105 | 115 | 16 | 10 | 4 | 1 | 6 | M10 x16 | 547 |