Product image
Product image

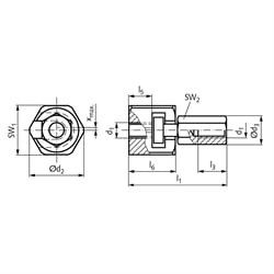
Material: Claw and coupling part: Heat-treated steel, tempered and phosphated. Lock nut: Steel, black.

With coupling nut.

The quick-release couplings enable components to be connected and disconnected quickly and easily. They can also efficiently compensate operational radial misalignment. They are versatile and can be used, for example, with hydraulic or pneumatic cylinders or for changing tools in machines. Depending on the size, the couplings can compensate radial misalignment of up to 1 mm between the axes to be connected.

Note: These couplings do NOT transmit torque!

SKU d1 [mm] d2 [mm] d3 [mm] ≈ l1 [mm] l3 [mm] l5 [mm] l6 [mm] SW1 [mm] SW2 [mm] x [mm] FN [k N] Gewicht [g]
60781506 M6 21 11 37,5 11 9 18 19 10 0,6 2,5 46
60781508 M8 26 14,4 45,0 13,5 11,5 22,5 24 13 0,7 4,5 91
60781510 M10 30 19 56,2 15 16 29 27 17 0,7 6,5 159
60781510F M10x1,25 30 19 56,2 15 16 29 27 17 0,7 6,5 159
60781512 M12 32,5 21,2 66,7 17,5 17 34 30 19 0,8 10 224
60781512F M12x1,25 32,5 21,2 66,7 17,5 17 34 30 19 0,8 10 223
60781516 M16 39 27 83,0 22 23 42 36 24 1 18 403
60781516F M16x1,5 39 27 83,0 22 23 42 36 24 1 18 403
60781520 M20 44 34 93,5 25 23,5 45,5 41 30 1 30 606
60781520F M20x1,5 44 34 93,5 25 23,5 45,5 41 30 1 30 596