Ball Studs DIN 71803 with Rivet Stud, Steel Zinc-plated
Material: Steel zinc-plated.
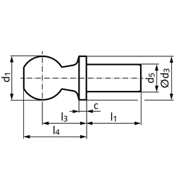
Type B: with rivet studs.
Ball studs allow movement in several directions. The rivet stud is inserted into a counterpart and riveted or fixed in place. This creates a secure, play-free connection that cannot be easily loosened.
These rivet studs can be used for ball sockets DIN 71805 and as spare parts for angle joints DIN 71802.
| SKU | Shape | Type | d1 h9 [mm] | d3 h14 [mm] | d5 h11 [mm] | C +0,4 [mm] | l1 ±0,2 [mm] | l3 ±0,3 [mm] | l4 ±0,3 [mm] | Gewicht [kg/100 Stück] |
|---|---|---|---|---|---|---|---|---|---|---|
| 63640531 | B | kurz | 8 | 8 | 5 | 2 | 4 | 9 | 12,5 | 0,385 |
| 63640631 | B | kurz | 10 | 10 | 6 | 2,2 | 4,5 | 11 | 15,5 | 0,71 |
| 63640831 | B | kurz | 13 | 13 | 8 | 2,4 | 5 | 13 | 18,5 | 1,42 |
| 63641031 | B | kurz | 16 | 16 | 10 | 2,7 | 6 | 16 | 23 | 2,35 |
| 63641431 | B | kurz | 19 | 19 | 14 | 3 | 12 | 20 | 28,5 | 5,62 |
| 63640532 | B | lang | 8 | 8 | 5 | 2 | 7,5 | 9 | 12,5 | 0,435 |
| 63640632 | B | lang | 10 | 10 | 6 | 2,2 | 8 | 11 | 15,5 | 0,78 |
| 63640832 | B | lang | 13 | 13 | 8 | 2,4 | 10 | 13 | 18,5 | 1,6 |
| 63641032 | B | lang | 16 | 16 | 10 | 2,7 | 13 | 16 | 23 | 2,96 |
| 63641432 | B | lang | 19 | 19 | 14 | 3 | 18 | 20 | 28,5 | 6,37 |